Prawidłowe i bezpieczne podłączenie przełącznika sieć-agregat to absolutna podstawa, jeśli chcemy zapewnić sobie niezawodne zasilanie awaryjne w domu, jednocześnie dbając o bezpieczeństwo własne i innych. Ten praktyczny przewodnik krok po kroku pomoże Ci zrozumieć cały proces, od wyboru odpowiedniego urządzenia, przez wymogi prawne, aż po szczegółowe instrukcje montażu i testowania, odpowiadając na kluczowe pytanie: "jak to zrobić" w sposób zgodny z przepisami i sztuką elektryczną.
Bezpieczne podłączenie agregatu klucz do niezawodnego zasilania awaryjnego w domu
- Prawidłowe podłączenie przełącznika sieć-agregat jest niezbędne, aby zapobiec cofnięciu się napięcia z agregatu do sieci publicznej, co stanowi śmiertelne zagrożenie dla pracowników energetyki i może uszkodzić sprzęt.
- Instalacja wymaga zastosowania przełącznika z blokadą mechaniczną lub elektryczną, dostępnego w wersji ręcznej (1-0-2) lub automatycznej (SZR/ATS), dopasowanej do mocy i fazowości instalacji (1-fazowa lub 3-fazowa).
- Wszystkie prace instalacyjne muszą być wykonane przez osobę posiadającą uprawnienia SEP G1 w zakresie eksploatacji.
- Podłączenie agregatu na stałe do instalacji domowej wymaga obowiązkowego zgłoszenia do lokalnego Operatora Sieci Dystrybucyjnej (OSD), wraz ze schematem i deklaracją zgodności.
- Dobór przełącznika musi uwzględniać moc przyłączeniową budynku i moc agregatu, z uwzględnieniem instalacji 1-fazowej lub 3-fazowej (wymagającej przełącznika 4-polowego, rozłączającego również przewód neutralny N).
Dlaczego prawidłowe podłączenie agregatu jest kluczowe dla bezpieczeństwa?
Bezpośrednie podłączenie agregatu do gniazdka, popularnie zwane "cofnięciem się napięcia" (ang. backfeed), to jeden z największych błędów i najgroźniejszych zagrożeń, jakie możesz popełnić. Kiedy agregat jest podłączony bezpośrednio do instalacji domowej bez odpowiedniego przełącznika, istnieje ryzyko, że prąd z agregatu popłynie z powrotem do publicznej sieci energetycznej. To stwarza śmiertelne niebezpieczeństwo dla pracowników energetyki, którzy mogą pracować przy naprawie linii, zakładając, że jest ona odłączona od zasilania. Poza zagrożeniem życia, cofnięcie się napięcia może również doprowadzić do poważnego uszkodzenia samego agregatu, a nawet innych urządzeń w domu, jeśli dojdzie do niekontrolowanego przepięcia.
Właśnie dlatego przełącznik sieć-agregat jest tak kluczowy. Jego podstawową funkcją jest mechaniczna i elektryczna blokada, która uniemożliwia jednoczesne podanie napięcia z sieci publicznej i z agregatu prądotwórczego. Działa to na prostej zasadzie: kiedy zasilanie jest pobierane z sieci, obwód agregatu jest odłączony, i odwrotnie kiedy agregat zasila dom, sieć publiczna jest całkowicie odizolowana. Dzięki temu nie ma możliwości, aby prąd z agregatu przedostał się do sieci, chroniąc zarówno życie ludzi, jak i sprzęt elektryczny w Twoim domu oraz infrastrukturę energetyczną.
- Zgłoszenie do Operatora Sieci Dystrybucyjnej (OSD): Podłączenie agregatu na stałe do instalacji domowej w Polsce wymaga obowiązkowego zgłoszenia tego faktu do lokalnego Operatora Sieci Dystrybucyjnej (np. PGE, Tauron, Enea, Energa). Zgłoszenie to powinno zawierać szczegółowy schemat instalacji oraz deklarację zgodności zainstalowanych urządzeń. Pamiętaj, że jest to wymóg formalny, którego niedopełnienie może mieć konsekwencje prawne.
- Uprawnienia SEP G1: Wszystkie prace instalacyjne związane z podłączeniem agregatu do domowej instalacji elektrycznej muszą być wykonane przez osobę posiadającą odpowiednie uprawnienia. W Polsce są to uprawnienia SEP (Stowarzyszenia Elektryków Polskich) co najmniej grupy G1 w zakresie eksploatacji. Samodzielne podłączanie bez posiadania tych uprawnień jest nie tylko nielegalne, ale przede wszystkim niezwykle niebezpieczne i może prowadzić do poważnych wypadków lub uszkodzeń mienia. Zawsze powierzaj takie zadania wykwalifikowanym specjalistom.

Wybór idealnego przełącznika: ręczny czy automatyczny?
Decyzja o wyborze między przełącznikiem ręcznym a automatycznym (SZR/ATS) jest kluczowa i zależy od Twoich potrzeb oraz budżetu. Poniżej przedstawiam porównanie, które pomoże Ci podjąć świadomą decyzję:
| Typ przełącznika | Charakterystyka i zastosowanie |
|---|---|
| Przełączniki ręczne (1-0-2) |
|
| Przełączniki automatyczne (SZR/ATS) |
|
Wybierając przełącznik, musisz zwrócić uwagę na jego moc znamionową, wyrażoną w amperach (A). Musi ona być dostosowana do mocy przyłączeniowej budynku oraz mocy agregatu. Z mojego doświadczenia wynika, że dla typowego domu jednorodzinnego z instalacją 1-fazową i zabezpieczeniem przedlicznikowym 25A, potrzebny będzie przełącznik o prądzie znamionowym co najmniej 25A. Zawsze warto mieć pewien zapas, więc przełącznik 32A byłby bezpiecznym wyborem. Pamiętaj, że niedoszacowanie mocy może prowadzić do przegrzewania się przełącznika i jego uszkodzenia.
Kolejnym kluczowym aspektem jest typ instalacji elektrycznej w Twoim domu. Jeśli posiadasz instalację 1-fazową, wystarczy Ci przełącznik 1-fazowy. Jednak w przypadku instalacji 3-fazowych, konieczny jest przełącznik 3-fazowy, a co najważniejsze 4-polowy. Dlaczego 4-polowy? Ponieważ musi on rozłączać nie tylko wszystkie trzy fazy (L1, L2, L3), ale również przewód neutralny (N). Rozłączenie przewodu neutralnego jest absolutnie niezbędne dla bezpieczeństwa i prawidłowego działania układu, szczególnie w systemach TN-C-S, aby zapobiec niebezpiecznym napięciom na obudowach urządzeń i zapewnić pełną izolację od sieci publicznej.
Przygotowanie do montażu: narzędzia, uprawnienia i lokalizacja
Przed przystąpieniem do jakichkolwiek prac instalacyjnych, upewnij się, że masz wszystko, co niezbędne. Oto lista podstawowych narzędzi i materiałów, które będą Ci potrzebne:
-
Narzędzia:
- Śrubokręty izolowane (płaskie i krzyżakowe)
- Miernik uniwersalny (multimetr) do pomiaru napięcia, ciągłości i rezystancji
- Ściągacz izolacji
- Obcinaczki do kabli
- Próbnik napięcia
- Klucze płaskie (jeśli przełącznik ma zaciski na śruby)
- Wiertarka (do montażu obudowy lub przełącznika w rozdzielnicy)
-
Materiały:
- Odpowiednie przewody elektryczne (o przekroju dopasowanym do mocy agregatu i zabezpieczeń)
- Złączki WAGO lub inne odpowiednie złączki do łączenia przewodów
- Opaski kablowe do estetycznego ułożenia przewodów
- Puszka lub obudowa do przełącznika (jeśli nie jest montowany w rozdzielnicy)
- Oznaczniki do przewodów (L1, L2, L3, N, PE, sieć, agregat)
Jak już wspomniałem, uprawnienia SEP G1 są absolutnie konieczne dla wszystkich prac instalacyjnych w Polsce. To nie jest tylko formalność, to gwarancja, że osoba wykonująca podłączenie ma niezbędną wiedzę i doświadczenie, aby zrobić to bezpiecznie i zgodnie z obowiązującymi normami. Instrukcja obsługi urządzenia jest ważna, ale to uprawnienia elektryka są ważniejsze, ponieważ świadczą o jego ogólnej kompetencji i zrozumieniu zasad bezpieczeństwa. Brak takich uprawnień i samodzielne podłączanie to proszenie się o kłopoty od ryzyka porażenia prądem, przez pożar, aż po odpowiedzialność prawną w razie wypadku. Nie ryzykuj, zawsze korzystaj z usług wykwalifikowanego elektryka!
Lokalizacja przełącznika w domowej rozdzielnicy jest bardzo ważna. Powinien być zamontowany w miejscu łatwo dostępnym, ale jednocześnie bezpiecznym, z dala od wilgoci i źródeł ciepła. Najczęściej montuje się go w głównej rozdzielnicy elektrycznej budynku, tuż za głównym wyłącznikiem różnicowoprądowym lub zabezpieczeniami głównymi. Ważne jest, aby był on wyraźnie oznaczony i aby dostęp do niego był nieograniczony w sytuacji awaryjnej. Upewnij się, że montaż jest zgodny z normami PN-HD 60364, które określają zasady instalacji elektrycznych w budynkach.

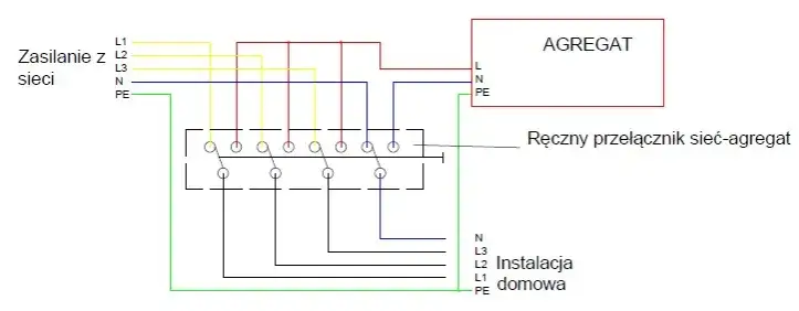
Podłączenie przełącznika: szczegółowy przewodnik krok po kroku
Zanim zaczniesz, zawsze odłącz zasilanie główne w budynku! Bezpieczeństwo jest najważniejsze. Na przełączniku znajdziesz zazwyczaj oznaczenia, które są kluczowe do prawidłowego podłączenia. Standardowe oznaczenia to: L1, L2, L3 (przewody fazowe), N (przewód neutralny), PE (przewód ochronny). Dodatkowo, będą oznaczenia wejść/wyjść dla sieci (np. "SIEĆ", "GRID", "I") oraz dla agregatu (np. "AGREGAT", "GEN", "II"). Wyjście z przełącznika do instalacji domowej będzie często oznaczone jako "OBCIĄŻENIE" lub "LOAD". Dokładne zrozumienie tych symboli to podstawa.
- Odłącz zasilanie: Przed rozpoczęciem jakichkolwiek prac, bezwzględnie odłącz główne zasilanie w budynku, wyłączając wyłącznik główny w rozdzielnicy. Upewnij się, że nie ma napięcia za pomocą próbnika.
-
Przygotuj przewody: Przygotuj trzy zestawy przewodów o odpowiednim przekroju:
- Jeden zestaw do podłączenia zasilania z sieci (L, N, PE).
- Drugi zestaw do podłączenia agregatu (L, N, PE).
- Trzeci zestaw do podłączenia wyjścia przełącznika do instalacji domowej (L, N, PE).
-
Podłączenie zasilania z sieci (wejście "SIEĆ" / "1"):
- Podłącz przewód fazowy (L, zazwyczaj brązowy lub czarny) z głównego obwodu sieciowego do zacisku L na wejściu "SIEĆ" przełącznika.
- Podłącz przewód neutralny (N, zazwyczaj niebieski) z głównego obwodu sieciowego do zacisku N na wejściu "SIEĆ" przełącznika.
- Podłącz przewód ochronny (PE, żółto-zielony) z głównego obwodu sieciowego do zacisku PE w rozdzielnicy (lub do odpowiedniego zacisku PE na przełączniku, jeśli takowy posiada i jest on połączony z szyną PE).
-
Podłączenie zasilania z agregatu (wejście "AGREGAT" / "2"):
- Podłącz przewód fazowy (L) z gniazda zasilającego agregat do zacisku L na wejściu "AGREGAT" przełącznika.
- Podłącz przewód neutralny (N) z gniazda zasilającego agregat do zacisku N na wejściu "AGREGAT" przełącznika.
- Podłącz przewód ochronny (PE) z gniazda zasilającego agregat do zacisku PE w rozdzielnicy (lub do odpowiedniego zacisku PE na przełączniku).
-
Podłączenie wyjścia do instalacji domowej (wyjście "OBCIĄŻENIE"):
- Podłącz przewód fazowy (L) z wyjścia "OBCIĄŻENIE" przełącznika do wejścia głównego wyłącznika różnicowoprądowego lub głównego zabezpieczenia w rozdzielnicy, które zasila resztę instalacji domowej.
- Podłącz przewód neutralny (N) z wyjścia "OBCIĄŻENIE" przełącznika do szyny N w rozdzielnicy.
- Podłącz przewód ochronny (PE) z wyjścia "OBCIĄŻENIE" przełącznika do szyny PE w rozdzielnicy.
- Sprawdzenie połączeń: Upewnij się, że wszystkie połączenia są mocne, stabilne i prawidłowo zaizolowane. Sprawdź, czy nie ma luźnych przewodów.
- Odłącz zasilanie: Podobnie jak w przypadku instalacji 1-fazowej, bezwzględnie odłącz główne zasilanie w budynku i upewnij się, że nie ma napięcia.
- Przygotuj przewody: Przygotuj trzy zestawy przewodów 3-fazowych (L1, L2, L3, N, PE) o odpowiednim przekroju.
-
Podłączenie zasilania z sieci (wejście "SIEĆ" / "1"):
- Podłącz przewody fazowe (L1, L2, L3, zazwyczaj brązowy, czarny, szary) z głównego obwodu sieciowego do odpowiednich zacisków L1, L2, L3 na wejściu "SIEĆ" przełącznika.
- Podłącz przewód neutralny (N, niebieski) z głównego obwodu sieciowego do zacisku N na wejściu "SIEĆ" przełącznika.
- Podłącz przewód ochronny (PE, żółto-zielony) z głównego obwodu sieciowego do szyny PE w rozdzielnicy.
-
Podłączenie zasilania z agregatu (wejście "AGREGAT" / "2"):
- Podłącz przewody fazowe (L1, L2, L3) z gniazda zasilającego agregat do odpowiednich zacisków L1, L2, L3 na wejściu "AGREGAT" przełącznika. Zachowaj prawidłową kolejność faz! Niewłaściwa kolejność może uszkodzić niektóre urządzenia (np. silniki).
- Podłącz przewód neutralny (N) z gniazda zasilającego agregat do zacisku N na wejściu "AGREGAT" przełącznika.
- Podłącz przewód ochronny (PE) z gniazda zasilającego agregat do szyny PE w rozdzielnicy.
-
Podłączenie wyjścia do instalacji domowej (wyjście "OBCIĄŻENIE"):
- Podłącz przewody fazowe (L1, L2, L3) z wyjścia "OBCIĄŻENIE" przełącznika do wejścia głównego wyłącznika różnicowoprądowego lub głównego zabezpieczenia w rozdzielnicy.
- Podłącz przewód neutralny (N) z wyjścia "OBCIĄŻENIE" przełącznika do szyny N w rozdzielnicy.
- Podłącz przewód ochronny (PE) z wyjścia "OBCIĄŻENIE" przełącznika do szyny PE w rozdzielnicy.
- Sprawdzenie połączeń: Upewnij się, że wszystkie połączenia są mocne, stabilne i prawidłowo zaizolowane. Sprawdź, czy nie ma luźnych przewodów i czy kolejność faz jest poprawna.
Krytyczną rolą przewodu neutralnego (N) w instalacji, zwłaszcza w systemach TN-C-S, jest zapewnienie drogi powrotnej dla prądu oraz stabilizacja napięcia. Prawidłowe przełączanie przewodu neutralnego (N) przez przełącznik 4-polowy jest absolutnie niezbędne dla bezpieczeństwa. Jeśli przewód N nie zostanie przełączony, może dojść do sytuacji, w której agregat zasila tylko fazy, ale nie ma stabilnego punktu neutralnego, co może prowadzić do pojawienia się niebezpiecznych napięć na obudowach urządzeń i ich uszkodzenia. Zawsze upewnij się, że przełącznik rozłącza również przewód neutralny, aby zapewnić pełną izolację od sieci publicznej.
Uruchomienie i testowanie: upewnij się, że wszystko działa bez zarzutu
Po zakończeniu podłączania, nie włączaj od razu zasilania! Najpierw należy przeprowadzić testy "na sucho", aby upewnić się, że wszystko jest prawidłowo podłączone i bezpieczne.
- Sprawdzenie wizualne: Dokładnie obejrzyj wszystkie połączenia. Upewnij się, że przewody są prawidłowo wpięte w zaciski, izolacja jest nienaruszona, a żadne elementy nie są luźne.
- Pomiar ciągłości: Za pomocą miernika uniwersalnego sprawdź ciągłość przewodów. Upewnij się, że każda faza, przewód neutralny i ochronny mają ciągłość od przełącznika do odpowiednich punktów w rozdzielnicy.
- Pomiar rezystancji izolacji: Jeśli masz dostęp do miernika rezystancji izolacji (megomierza), wykonaj pomiary między fazami, między fazami a przewodem neutralnym, oraz między fazami/neutralnym a przewodem ochronnym. Wartości powinny być wysokie (rzędu megaomów), co świadczy o dobrej izolacji.
- Sprawdzenie braku zwarć: Upewnij się, że nie ma zwarć między fazami, ani między fazami a przewodem neutralnym lub ochronnym.
Gdy testy "na sucho" zakończą się pomyślnie, możesz przystąpić do pierwszego uruchomienia z agregatu. Pamiętaj o zachowaniu ostrożności.
- Upewnij się, że przełącznik jest w pozycji "0": Przed uruchomieniem agregatu, przełącznik sieć-agregat powinien być ustawiony w pozycji środkowej ("0"), co oznacza odłączenie obu źródeł zasilania.
- Uruchom agregat: Postępuj zgodnie z instrukcją obsługi swojego agregatu. Uruchom go i pozwól mu popracować przez kilka minut, aby osiągnął stabilne obroty.
- Sprawdź napięcie na wyjściu agregatu: Za pomocą miernika uniwersalnego sprawdź napięcie na gnieździe agregatu, do którego podłączony jest kabel zasilający przełącznik. Upewnij się, że napięcie jest prawidłowe (np. 230V dla 1-fazowego, 400V dla 3-fazowego).
- Przełącz zasilanie na tryb agregatowy: Ostrożnie przestaw przełącznik sieć-agregat z pozycji "0" na pozycję "2" (zasilanie z agregatu).
- Zweryfikuj działanie pod obciążeniem: Włącz kilka urządzeń w domu (np. światło, lodówkę), aby sprawdzić, czy zasilanie z agregatu działa prawidłowo i stabilnie. Monitoruj pracę agregatu.
- Powrót do zasilania sieciowego: Po zakończeniu testu, przestaw przełącznik z powrotem na pozycję "0", wyłącz agregat, a następnie, po upewnieniu się, że napięcie w sieci publicznej jest dostępne, przestaw przełącznik na pozycję "1" (zasilanie z sieci).
Aby w pełni zweryfikować prawidłowe działanie całego układu, warto przeprowadzić symulację zaniku napięcia w sieci. W przypadku przełącznika ręcznego, po prostu wyłącz główny wyłącznik w rozdzielnicy, symulując awarię. Następnie uruchom agregat i przełącz zasilanie. W przypadku automatycznego układu SZR, system powinien sam wykryć zanik napięcia, uruchomić agregat i przełączyć zasilanie. Obserwuj, czy wszystkie procesy przebiegają płynnie i bez zakłóceń. To kluczowy test, który daje pewność, że w prawdziwej sytuacji awaryjnej system zadziała zgodnie z oczekiwaniami.
Najczęstsze błędy przy podłączaniu agregatu i jak ich uniknąć
Niestety, często spotykam się z błędami, które mogą mieć poważne konsekwencje. Jednym z najgroźniejszych jest brak blokady mechanicznej lub elektrycznej w przełączniku. Jak już wspomniałem, to właśnie ta blokada uniemożliwia jednoczesne podanie napięcia z sieci publicznej i z agregatu. Jej brak to prosta droga do cofnięcia się napięcia do sieci, co stwarza śmiertelne zagrożenie dla pracowników energetyki i może zniszczyć zarówno agregat, jak i inne urządzenia. Zawsze upewnij się, że wybrany przełącznik posiada odpowiednie zabezpieczenia.
Kolejnym powszechnym błędem jest zły dobór przekroju przewodów. Przewody o zbyt małym przekroju w stosunku do mocy agregatu i obciążenia mogą się przegrzewać, co w najlepszym wypadku prowadzi do spadków napięcia i strat energii, a w najgorszym do stopienia izolacji, zwarcia i pożaru. Zawsze dobieraj przekrój przewodów zgodnie z obowiązującymi normami i mocą znamionową agregatu oraz zabezpieczeń. Pamiętaj, że lepiej jest zastosować przewody o nieco większym przekroju niż zbyt małym.
Ponownie muszę podkreślić konsekwencje pominięcia zgłoszenia instalacji do Operatora Sieci Dystrybucyjnej (OSD). Jest to nie tylko wymóg prawny, ale także kwestia bezpieczeństwa. OSD musi wiedzieć o istnieniu Twojej instalacji awaryjnej, aby w razie awarii sieci mieć pełny obraz sytuacji i móc zapewnić bezpieczeństwo swoim pracownikom. Brak zgłoszenia może skutkować nałożeniem kar finansowych, a w przypadku wypadku poważnymi konsekwencjami prawnymi dla właściciela instalacji. Nie ignoruj tego kroku!
Gotowość na awarie: kluczowe zasady i kiedy wezwać elektryka
Pamiętaj, że posiadanie agregatu i prawidłowo podłączonego przełącznika to dopiero początek. Kluczowa jest świadomość i przestrzeganie podstawowych zasad bezpieczeństwa podczas eksploatacji:
- Nigdy nie podawaj napięcia z agregatu do sieci publicznej. To absolutny priorytet.
- Zawsze używaj odpowiedniego przełącznika sieć-agregat z mechaniczną lub elektryczną blokadą.
- Przestrzegaj mocy znamionowych zarówno agregatu, jak i przełącznika. Nie przeciążaj instalacji.
- Regularnie testuj agregat i przełącznik, aby upewnić się, że są sprawne i gotowe do działania.
- Agregat zawsze uruchamiaj na zewnątrz, w dobrze wentylowanym miejscu, z dala od okien i drzwi, aby uniknąć zatrucia tlenkiem węgla.
- Używaj odpowiednich, atestowanych przedłużaczy i kabli do podłączenia agregatu.
Mimo że ten przewodnik dostarcza szczegółowych informacji, istnieją sytuacje, w których bezwzględnie należy wezwać profesjonalnego elektryka z uprawnieniami SEP G1:
- Brak pewności co do prawidłowości podłączenia: Jeśli masz jakiekolwiek wątpliwości co do poprawności wykonanych połączeń, nie ryzykuj. Lepiej zapłacić za sprawdzenie instalacji przez fachowca niż ryzykować zdrowiem lub życiem.
- Skomplikowane instalacje: W przypadku rozbudowanych instalacji elektrycznych, nietypowych układów zasilania (np. z fotowoltaiką i magazynami energii), lub gdy wymagane są dodatkowe zabezpieczenia, zawsze powierz pracę specjaliście.
- Wszelkie wątpliwości dotyczące bezpieczeństwa: Jeśli podczas eksploatacji zauważysz jakiekolwiek niepokojące objawy (np. iskrzenie, przegrzewanie się przewodów, dziwne zapachy, niestabilne działanie agregatu lub przełącznika), natychmiast odłącz zasilanie i wezwij elektryka.
- Brak uprawnień SEP G1: Jeśli sam nie posiadasz wymaganych uprawnień, nie podejmuj się samodzielnego montażu. To jest kwestia bezpieczeństwa i zgodności z prawem.
